
AMS announces the release of the world’s smallest integrated module for direct time-of-flight distance measurement providing accurate measurements from 2cm up to 2.5m.
The TMF8801 is more than 30% smaller than competing ToF sensors – making it perfect for compact space constrained designs – yet offers superior performance in important parameters including accuracy and usability in the presence of sunlight. Competing ToF sensors struggle to accurately measure distance below dirty or smudged cover glass whereas the TMF8801 maintains high accuracy through use of its on-chip histogram processing.
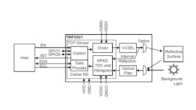
With an integrated VCSEL infrared emitter, multiple SPAD (single photon avalanche photo-diode) light detectors, time-to-digital converter, and on-chip microcontroller for processing histograms, the TMF8801 delivers superior ToF performance. Compared to distance averaging employed with an indirect ToF system, the direct ToF time measurement methodology used in the TMF8801 delivers higher accuracy true-distance measurements.
When used to support LDAF, high accuracy distance measurements deliver improved camera performance: sharper, in-focused images under any ambient lighting conditions, and accurate adjustment of the camera flash brightness to improve picture quality.
The small size and low power consumption of the TMF8801 is ideal for fast-ranging collision avoidance detection used in autonomous vacuum cleaners, and industrial robotics. For display-based products such as mobile computing, the TMF8801 can be used for user presence detection to automatically wake up or put the system into a low-power sleep mode based on the presence or absence of a user.
For more, visit https://ams.com/tmf8801.


